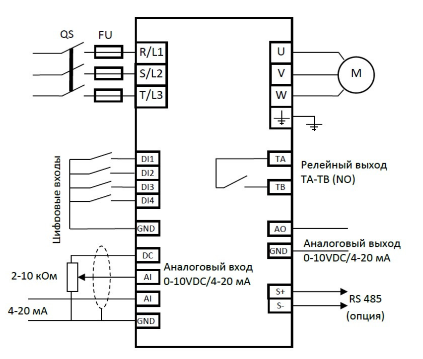
Преобразователь частоты 1.5кВт 7А. 220В
Характеристики
|
Номинальное напряжение, В
|
220В |
|
Номинальный ток, А
|
7А |
|
Мощность, кВт
|
1,5кВт |
|
В наличии
|
Да |
|
Степень защиты
|
IP20 |
Будьте всегда в курсе!
Узнавайте о скидках и акциях первым










































