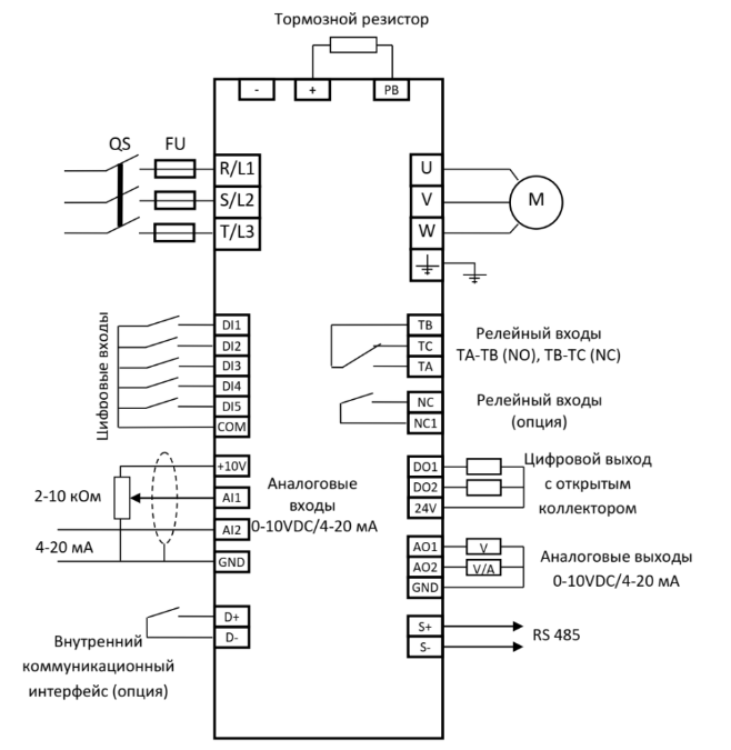
Преобразователь частоты 22кВт 45А. 380В
Характеристики
|
Номинальное напряжение, В
|
380В |
|
Номинальный ток, А
|
45А |
|
Мощность, кВт
|
22кВт |
|
В наличии
|
Да |
|
Степень защиты
|
IP20 |
Будьте всегда в курсе!
Узнавайте о скидках и акциях первым










































